Описание
Водоводяной двухконтурный теплообменник Xenozone предназначен для подогрева воды в стационарных и каркасном бассейнах. Особенно актуален при строительстве уличных бассейнов. Теплоносителем является горячая вода из котла.
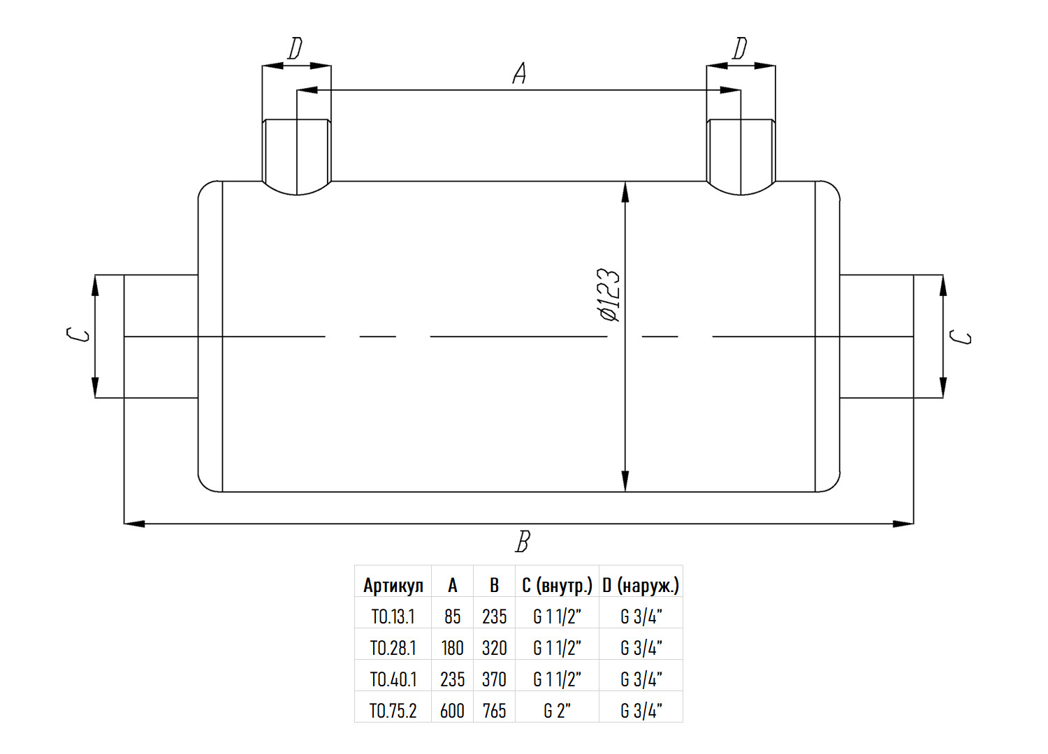
Первичный контур в виде спирали, теплообменник устанавливается горизонтально. Материал изготовления корпуса и спирали – нержавеющая сталь, что обеспечивает долговечность и высокое качество. Выходная мощность 13 кВт.
Показать полностью
Свернуть
Характеристики
Страна производства
Россия
Тип
трубчатый
Производитель
Xenozone
Модель
ТО.13.1
Диаметр подключения
¾″ НР / 1½″ ВР
Материал корпуса
нержавеющая сталь
Гарантия
12 месяцев
Максимальное давление
10 бар
Марка стали
AISI-304
Тип крепления
горизонтальный
Объём бассейна в помещении
до 17 м³
Объём уличного бассейна
до 13 м³
Отзывы
Отзывов еще никто не оставлял
