Описание
Водоводяной двухконтурный теплообменник Xenozone предназначен для подогрева воды в стационарных и каркасных бассейнах. Особенно актуален при строительстве дачных бассейнов. Теплоносителем является горячая вода из котла.
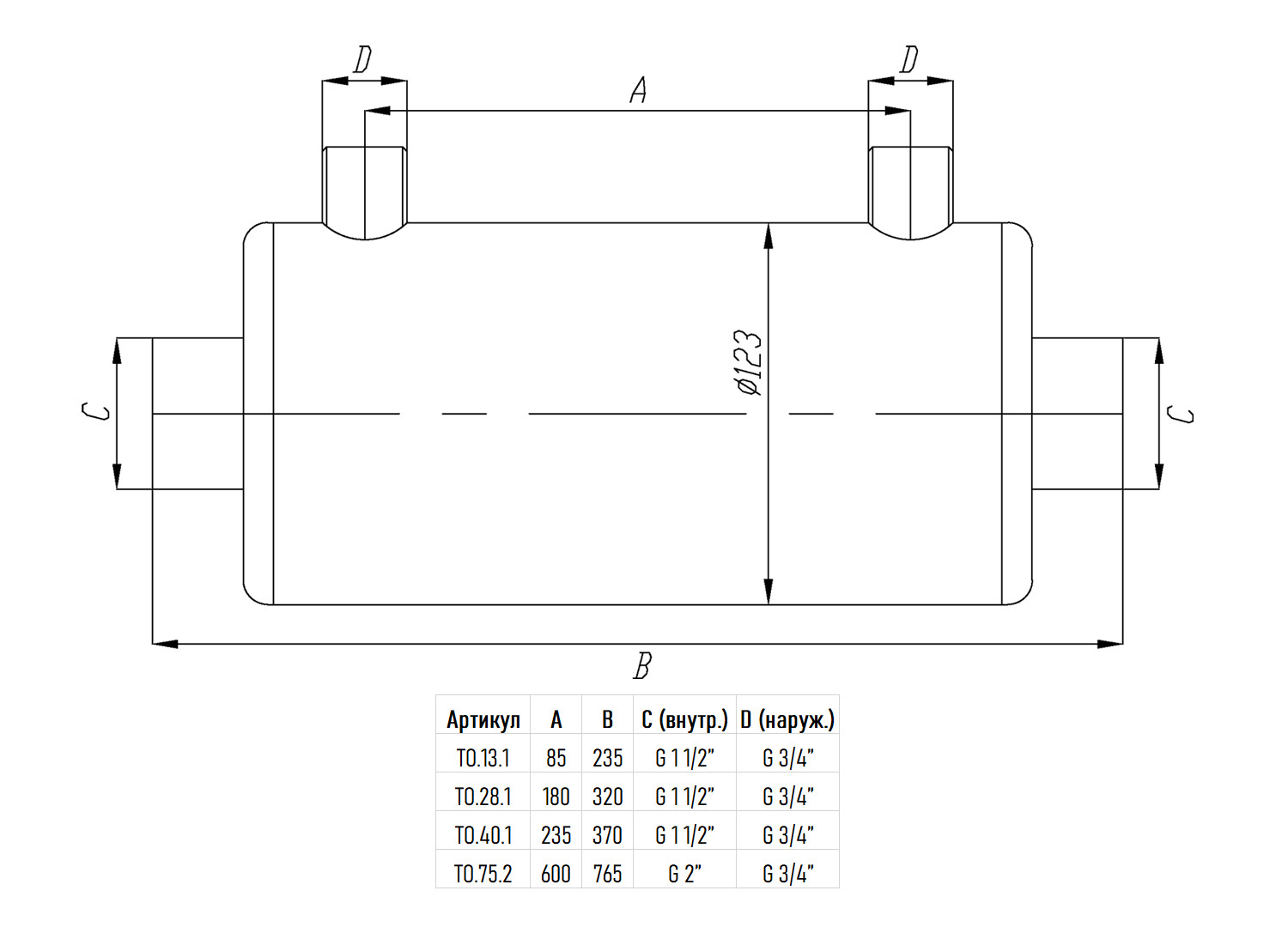
Первичный контур в виде спирали, теплообменник устанавливается горизонтально. Материал изготовления корпуса и спирали – нержавеющая сталь, что обеспечивает долговечность и высокое качество. Выходная мощность 28 кВт.
Показать полностью
Свернуть
Характеристики
Страна производства
Россия
Тип
трубчатый
Производитель
Xenozone
Модель
ТО.28.1
Диаметр подключения
¾″ НР / 1½″ ВР
Материал корпуса
нержавеющая сталь
Гарантия
12 месяцев
Максимальное давление
10 бар
Марка стали
AISI-304
Тип крепления
горизонтальный
Объём бассейна в помещении
до 37 м³
Объём уличного бассейна
до 28 м³
Отзывы
Отзывов еще никто не оставлял
