Описание
Водоводяной двухконтурный теплообменник Xenozone предназначен для подогрева воды в стационарных и сборно-разборном бассейнах. Теплоносителем является горячая вода из котла. Если вы строите дачный бассейн, то теплообменник будет вам особенно актуален.
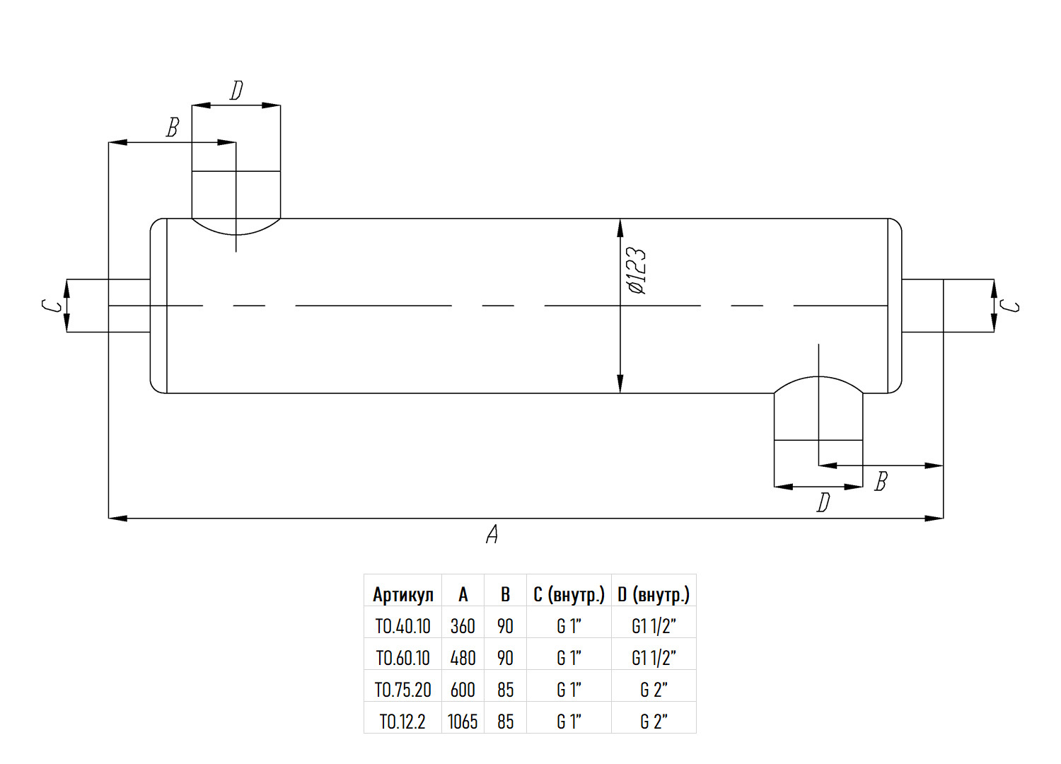
Первичный контур в виде трубок, теплообменник устанавливается вертикально. Материал изготовления корпуса и трубок – нержавеющая сталь, что обеспечивает долговечность и высокое качество. Выходная мощность 60 кВт.
Показать полностью
Свернуть
Характеристики
Страна производства
Россия
Тип
трубчатый
Производитель
Xenozone
Модель
ТО.60.10
Диаметр подключения
1″ ВР / 1½″ ВР
Материал корпуса
нержавеющая сталь
Гарантия
12 месяцев
Максимальное давление
10 бар
Марка стали
AISI-304
Тип крепления
вертикальный
Объём бассейна в помещении
до 80 м³
Объём уличного бассейна
до 60 м³
Отзывы
Отзывов еще никто не оставлял
