Описание
Водоводяной двухконтурный теплообменник Xenozone предназначен для подогрева воды в стационарных и дачном каркасном бассейнах. Теплоносителем является горячая вода из котла. Если вы хотите построить уличный бассейн, то теплообменник будет вам особенно актуален.
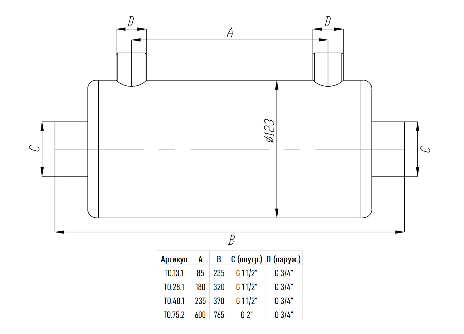
Первичный контур в виде спирали, теплообменник устанавливается горизонтально. Материал изготовления корпуса и спирали – нержавеющая сталь, что обеспечивает долговечность и высокое качество. Выходная мощность 75 кВт.
Показать полностью
Свернуть
Характеристики
Страна производства
Россия
Тип
трубчатый
Производитель
Xenozone
Модель
ТО.75.2
Диаметр подключения
¾″ НР / 2″ ВР
Материал корпуса
нержавеющая сталь
Гарантия
12 месяцев
Максимальное давление
10 бар
Марка стали
AISI-304
Тип крепления
горизонтальный
Объём бассейна в помещении
до 100 м³
Объём уличного бассейна
до 75 м³
Отзывы
Отзывов еще никто не оставлял
